查阅中心及展馆开放时间
(法定工作日)
上午:08:00 -12:00
下午:15:00 -18:00
查档及观展预约咨询: 0771-5852963
发布时间:2012-02-21 10:31:40来源(作者):
广西壮族自治区机关基本建设归档文件整理规则(试行)
1 范围
本标准规定了基本建设归档文件整理的原则和方法。
本标准使用于我区各级机关、单位和其它社会组织。
2 定义
本标准采用下列定义
2.1 基本建设归档文件
立档单位在基本建设项目中形成的,具有保存价值的基本建设文字、图纸等文件材料。
2.2 基本建设归档文件整理
将基本建设文件以件为单位进行装订、折叠、分类、排列、编号、编目、装盒,使之有序化的过程。
2.3 件
归档文件的整理单位。基本建设文字文件一般以每份文件为一件,文件正文正本与定稿为一件,正文与附近为一件,附件为两件以上并可单独成文的可分别计算件数,原件与复制件为一件,转发文与被转发文件为一件,报表、名册、图册、会议记录等一册(本)为一件,来文与复文可为一件,重要文件的草稿可各为一件。基本建设图纸文件一般以每张图纸为一件。
3 整理原则
遵循文件的形成规律,保持文件之间的有机联系,便于保管和利用。
4 量要求
4.1 基本建设归档文件应收集齐全、完整,图物相符。破损的文件应予修复,字迹模糊或易褪变应予复制,复制件要清楚并附于原件后一并归档。
4.2 整理基本建设文字文件和图纸文件所使用的书写材料、纸张、装订材料等,应符合档案保护要求。
4.3 竣工图应是新兰图,图面整洁、线条清楚、修改符合技术要求,图纸反差良好,能满足缩微和计算机录入的要求。
5 整理方法
归档基本建设文字文件以件为单位装订保存;归档基本建设图纸文件以件为单位折叠保存。
5.1 装订
归档基本建设文字文件应按件装订,装订的方式可根据具体情况选择“线装式”“钉贴式”三种装订方式中的任何一种。装订时,正本在前,定稿在后;正文在前,附件在后;原件在前,复印件在后;转发文在前,被转发文在后;来文与复文作为一件时,复文在前,来文在后。
5.2 折叠
归档基本建设图纸文件折叠应采用图面折向里方的“手风琴式”,标题栏、竣工图章应折露在外,图纸折叠后大小应以A4纸幅面(长297mm,宽210 mm)为准。大于A4纸幅的折叠成A4纸幅面,小于A4幅面的以原件保存。
5.3 分类
基本建设归档文件应在其全宗内,按照项目一类进行分类。
5.4 排列
基本建设归档文件在分类方案的最低一级类目内,将基建文字文件按时间排列,基建图纸文件按图别结合时间先后顺序排列。
5.5 编号
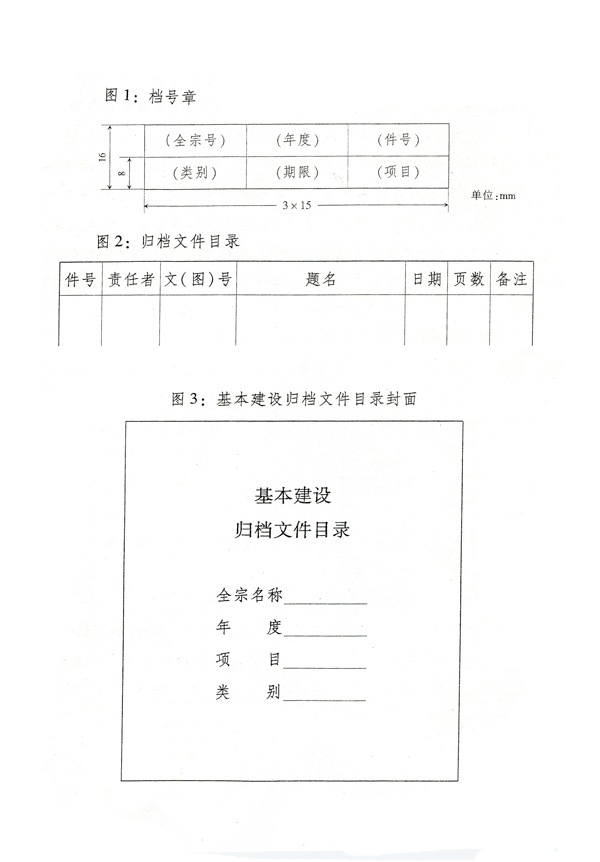
基本建设归档文件应依分类、排列次序逐件编号。基建文字文件在首页上端空白位置、基建图纸文件在上端空白文件加盖档号章并填写相关内容。归档章设置全宗、年度、项目、保管期限、类别号、件号等项目(图略)。
5.5.1 全宗号:档案馆给立档单位编制的代号,没有即空缺。
5.5.2 年度:基本建设归档文件项目竣工验收年。年度以四位阿拉伯数字标注公元纪年。如:2003。
5.5.3 保管期限:将基本建设归档文件统一划定为定期保管,具体保存时间为基本建设项目的实际寿命顺延10年。
5.5.4 文件的排列顺序号。编制方法为:按基建文字、基建图纸二个类目的排列顺序个自从“1”开始流水标注。
5.5.5 项目
基本建设项目的全称或规范化简称。
5.5.6 类别
基本建设归档文件的类别名称,主要分为基建文字、基建图纸等类别。
5.6 编目
归档文件应依据分类方案和件号顺序编制基本建设归档文件目录。
5.6.1 基本建设归档文件目录设置件号、责任者、文(图)号、题名、日期、页数、备注等项目(图略)。来文与复文作为一件时,只对复文进行编目。
5.6.1.1 件号:文件的排列顺序号。
5.6.1.2 责任者:制发文件的组织或个人,即文件的成文机关或署名者。
5.6.1.3 文(图)号:文号指基建文字文件的发文字号。图号指基建图纸文件的图别和图号。如:建施8号。
5.6.1.4 题名:文件标题。没有标题或标题不规范的,应重拟标题,外加“[ ]”
5.6.1.5 日期:文件的成文日期,以8位阿拉伯数字标注,如:20030808。
5.6.1.6 页数:每一件基本建设归档文字文件的页数。基建文字文件中有图文的页面为一页。基建图纸文件每张为一页。
5.6.1.7 备注:注释文件需说明的情况。
5.6.2 基本建设归档文件目录用纸幅面尺寸采用国际标准A4 型(长为297mm, 宽为210mm)。
5.6.3 基本建设归档文件目录编制封面。基本建设归档文件目录封面可以视需要全宗名称、年度、项目、类别等项目(图略)。其中全宗名称即立档单位的名称,填写时应使用全称或规范化简称;类别即基本建设项目的类别应据实填写基建文字或基建图纸。
5.7 装盒
将归档文件按件号顺序装入档案盒,并填写档案盒盒脊、封面及备考表项目。档案盒规格及监制应符合规定。
5.7.1 档案盒封面及盒脊。
5.7.1.1 档案盒封面应表明全宗名称(图略)。
5.7.1.2 档案盒应根据摆放方式的不同,在盒脊或底边设置全宗号、年度、项目、类别、起止件号、盒号等项(图略),其中起件号填写盒内等一件的件号,止件号填写盒内最后一件文件的件号,盒号即档案盒的排列顺序,在档案移交进馆时按进馆要求编制。
5.7.2 备考表
备考表项目包括盒内文情况说明、整理人、检查人和日期(图略),置于盒内文件之后。
5.7.2.1 盒内文件情况说明:填写盒内文件缺损、修改、补充、移出、销毁等情况。
5.7.2.2 整理人:负责整理归档文件的人员姓名。
5.7.2.3 检查人:负责检查归档文件整理质量的人员姓名。
5.7.2.4 日期:归档文件整理完毕的日期。
5.7.3 档案盒规格及监制
5.7.3.1 档案盒外形尺寸为长305mm,宽为220mm,盒脊厚度何以根据需要设置为20mm、30mm、40mm等。
5.7.3.2 档案盒应采用无酸纸制作,由各级档案行政管理部门监制,封底下部有“某某档案局监制”


